随机脉冲信号采集卡的设计
			
				作者:  时间:2010-09-21 14:27  来源:EDN
			
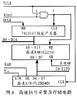
  			  3.2 高速信号采集及存储电路
  高速信号采集及存储电路用于采集卡在采集方式下时采集输入脉冲的脉内波形数据。采用8位高速A/D转换器TLC5540,其最大转换速度40 MS/s,模拟输入带宽大于75 MHz,具有内部采样和保持功能。
  TLC5540进行转换所需时钟信号频率可由单片机设置。A/D转换后的数据自动存储在外接的62256存储器中,其地址信号由4个74LSl61产生。其工作原理为:首先QCLR输出一个负脉冲,将74LSl61计数器清零,然后再设置采样时钟信号(TCLK),启动TLC5540进行转换,同时将RAD信号设为有效(低电平),产生的数据在脉冲信号(Vout为高电平)出现时按顺序写入外接的62256存储器中,脉冲信号(Vout为低电平)消失则自动停止写入。高速RAM的地址信号由74LSl61地址产生器提供。对每个脉冲信号期间采样的次数可根据2个脉冲信号最后写入地址的差值进行来计算,即由单片机读出的该脉冲信号下降沿时刻74LSl61的计数值(即最后写入的RAM的地址),再减去上一次读出的值,即为该脉冲的采样次数。连续采样一群脉冲的波形数据后需暂停采集,将采集的每个脉冲的波形数据与该脉冲的其他参数(如脉冲宽度、脉冲到达时间等)按规定的格式组合后送到与主机交换数据的FIF0高速存储器中,供主机读取和处理,数据送完后再启动采集下一群脉冲。一群脉冲的数量由用户根据实际情况确定,以连续采集的波形数据存入高速RAM中不产生溢出为最大限。图4为高速信号采集及存储电路。

  4 系统软件设计
  信号采集卡由单片机80C196控制,其中单片机除负责随机脉冲信号的采集外,还承担着将相关的数据(如雷达中的载频数据和方位数据)与随机脉冲数据组织成一个完整的信号数据结构的任务。图5为采集卡主程序框图,其工作流程为:首先80C196通过读取主机(PC机)送过来的命令字,设置采集卡工作模式,执行相应的工作子程序。图6为其中的测量模式下子程序流程,其工作过程为:首先初始化设置测量模式,允许HIS中断。在脉冲出现时,启动测量中断处理程序(HIS中断)工作,启动80C196内部的A/D转换器,对输入的随机脉冲的幅度进行测量,同时读取脉冲到达的时间及脉冲宽度等数据并送到采样缓冲区,退出HIS中断。然后将采集到的随机脉冲数据和同时采集到的其他相关数据(如雷达中的载频数据、方位数据等)存入发送缓冲区,最后按照约定的数据格式组织成数据块存入大深度“先进先出(FIF0)”缓冲器,再通知主机读取这些数据。为保证数据传输的完整性,大深度FIF0被组织成双缓冲区结构,以流水线方式轮流写入和读出信息,从而避免了信号录取卡的CPU和主机CPU同时读/写FIF0时可能出现的数据丢失现象。在采集模式下则需启动高速A/D采集电路工作,并按照波型显示的要求组织数据,然后再送到主机处理。


  5 结论
  该采集卡设计采用80C196单片机、8位高速A/D转换的TLC5540及EPLD器件实现计数、锁存和其他逻辑电路,并巧妙利用80C196单片机的高速输入通道(HSI)的中断特性,不仅实现了对随机脉冲信号的幅度测量或脉内波形数据采集,同时还记录脉冲到达时间及脉宽,解决了数据采集卡在采集随机窄脉冲信号存在的采集数据量大且不能实时处理的问题。该采集卡已成功应用于某型雷达侦察设备中的信号录取,完全可实时采集、处理接收到的雷达脉冲信号并送往主机,通过主机进一步对采集的信号进行分选和处理,可完全实时显示采集到的雷达脉冲波形。实际应用表明设计的采集卡工作稳定可靠,可采集的最窄脉冲不小于O.1μs,对周期不大于25 kHz的连续脉冲在测量方式下可实现不间断采样。