在应用于管道缺陷检测的众多无损检测技术当中,超声导波检测技术与常规无损检测方法相比,具有检测距离长,检测速度快等突出优点。超声导波在管道中传播时存在多模态与频散特性,若超声导波所用的激励源仍采用常规超声检测时宽带激励的方法,则在管道中所激发出的超声导波,将会发生频散,即不同频率的超声导波其群速度也不一样,这样会使管道中接收到的超声导波回波信号的幅值微弱,不利于缺陷检测的分析与处理,频散严重时可能无法得到缺陷回波信号。通过分析频散曲线可知,在某一频率范围内,某一模态的导波几乎不发生频散,纵向轴对称导波模态L(O,2)就是其中的一种,L(0,2)模态在一定的频率范围(40~500 kHz)内其传播速度几乎保持不变,且传播速度最快。若采用相应频段内的窄带脉冲作为激励信号,则可激励出L(O,2)模态占主导的超声导波,这样可最大限度地避免超声导波的频散现象带来的不利影响。利用高速单片机,数模转换器等设计了专门用于激励超声导波的窄带激励信号源,该信号源可实现汉宁 (Hanning)窗的宽度可调,单音频信号频率可调的功能,提供了一种用于激励超声导波的激励信号源的设计方法。
  1 系统总体结构
  在进行超声导波管道检测时,一般选用汉宁窗调制单音频的窄带信号脉冲作为激励信号源,即选的激励函数为

  其中,f为单音频信号频率,n为汉宁窗调制的单音频的周期数。
  根据超声导波在管道中的传播特性,对于不同材料及尺寸的管道,所需的超声导波窄带激励信号的频率及周期数不尽相同。利用高速单片机与数模转换器构成信号发生器,实现汉宁窗调制下的单音频信号的频率可调及汉宁窗宽度可调的功能,由数模转换器输出的信号经过差动放大、低通滤波等处理后,可产生用于激励超声导波的窄带激励信号。总体结构如图1所示,其中键盘与显示屏分别用于设置与显示汉宁窗信号调制单音频信号的周期数、单音频信号的频率及汉宁窗脉冲的时间间隔。

  2 硬件电路设计
  2.1 单片机与D/A转换器的接口电路
  针对管道超声导波检测对激励信号需求的特点,激励信号源的单音频的频率范围选定在40~500 kHz之间,根据采样定理,激励信号源信号发生器的采样频率至少要为信号频率的2倍,为了得到较为平滑的信号波形,并降低后续滤波电路设计的难度,这里采样频率的取值在10倍的信号频率以上。普通单片机由于受到工作频率的限制,其能产生的单音频信号的频率最高也只能达到100 kHz左右,不能满足设计需求。为了使信号发生器能输出较高的频率,选用超高速单片机DS89C430作为整个电路的控制部分,它是当前8051兼容微控制器中性能最高的单片机之一,在相同的晶振频率下,执行指令的速度是普通的8051微处理器的12倍,工作在33 MHz的最高频率下,其单指周期仅为30 ns。数模转换器件选用美国ADI公司推出的AD9708器件,它具有125百万次/秒的更新速率,8位分辨率,且有较高的信噪比,非常适用于超声导波激励信号的生成。采用时钟频率为30 MHz的DS

  2.2 差动放大电路
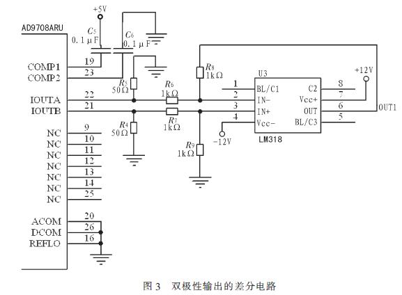
  为了使输出电压具有正负极性,采用把数模转换器AD9708的两输出端IOUTA和IOUTB接到运算放大器LM318组成的差动放大电路的两输入端,LM318具有较高的共模抑制比与转换速率。它与AD9708组成的差动放大电路如图3所示。

  2.3 滤波电路
  由于数模转换器AD9708输出的信号附加有大量的高频噪声,进行必要的平滑滤波处理后才能得到所需信号,选用由运算放大器LM318及必要的元件组成二阶压控电压源低通滤波器,如图4所示,其中,截止频率,放大倍数为1.5倍,这里的Q值由滤波电路的放大倍数设定,其值为2/3。在电路的最后增加了一级电压跟随器。
